16+
Графическая версия сайта
Зарегистрировано –  129 840Зрителей: 71 986
Авторов: 57 854

On-line39 702Зрителей: 7945
Авторов: 31757

Загружено работ – 2 220 665
Социальная сеть для творческих людей
  

Автомат определения характера

Изобретения / Электроника и радиотехника / Автомат определения характера
Просмотр работы:
26 февраля ’2021   01:27
Просмотров: 9641

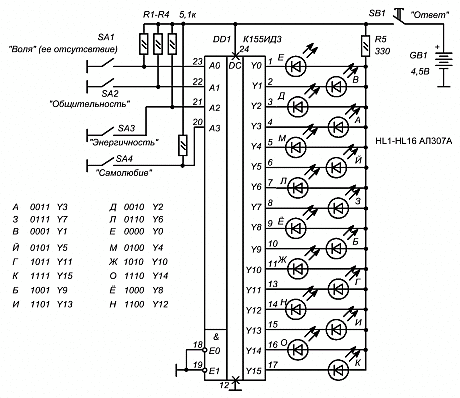
В главе "Автомат определяет характер" в книге "Занимательная автоматика" (И.И.Гармаш. Киев, «Радянська школа», 1982 г., с. 133-136) было дано описание автомата-теста, который по 16 ответам на вопросы – «Да» или «Нет» выставлял один из 16 вариантов характера человека. Данная конструкция повторяет алгоритм прототипа, но выполнена на более современной элементной базе, имеет меньшие габариты и массу и питается от батарей. Для определения характера нужно ответить на вопросы каждой группы и установить в нужное положение соответствующий выключатель, в зависимости от количества утвердительных ответов. После ответа на все вопросы нажимается кнопка и высвечивается результат. Более подробное описание в журнале "Радиолюбитель" 2018 г., №8.






Голосование:

Суммарный балл: 0
Проголосовало пользователей: 0

Балл суточного голосования: 0
Проголосовало пользователей: 0

Голосовать могут только зарегистрированные пользователи

Вас также могут заинтересовать работы:



Отзывы:


Оставлен: 27 сентября ’2021   12:51


Какой же это АВТОМАТ? -- Обычный индикатор двоичного кода НА ДЕШИФРАТОРЕ
К155ИД3 -- на СОВКОВОЙ базе, а не современной.

Туда любые вопросы можно ВСУНУТЬ - не только Характер

Хотя бы не КОПИРОВАЛ эту схему, а добавил бы еще две микросхемы с Цифровыми индикаторами

И запомни - АВТОМАТ - работает БЕЗ УЧАСТИЯ ЧЕЛОВЕКА.

У тебя - ПОЛУ АВТОМАТ


Оставлен: 03 октября ’2021   01:27
Благодарю за отзыв и интерес к теме.
1.К155ИД3 или более современные аналоги (КР1533 и проч.) - разницы особой нет. КР1533 хотя меньше потребляет тока, сложнее подключать из-за необходимости "подтягивающих" резисторов по входам. То же К561 и подобное - деталей требуют больше.
Всё эти микросхемы в том или ином виде выпускается по сей день.
2.Ну, всуньте туда любые вопросы - даже интересно.
3.Схема не скопирована, а можно сказать, разработана, хотя она и тривиальна. Основная разработка заключалась не в схемотехнике, а в подгоне соответствия вопросов с ответом на индикаторах. Цифровые индикаторы - конечно, можно, но зачем? Ненужное усложнение.
4. Ни один автомат, вообще говоря, не работает без участия человека - человек по меньшей мере включает питание. Подсчет вопросов самим пользователем сделан для упрощения самой конструкции. В исходной литературе подобное устройство называлось "автоматом", хотя там и было 16 тумблеров, а не 4.
Ну, возможно, и "полуавтомат", если быть въедливым, как некоторые ВУЗовские технари.
Замечено, что полная автоматизация жизни может вести к моральной дегенерации и другим негативным последствиям.)))



Оставлять отзывы могут только зарегистрированные пользователи

Трибуна сайта
Надоело всё - Уходи! Премьера

Присоединяйтесь 



Наш рупор
СВЕЖИ НАД РЕЧКОЮ ТУМАНЫ
о судьбе обманутой девушки и её страданиях
https://www.neizvestniy-geniy.ru/cat/playcasts/nastroenie/2718777.html?author

178

Рупор будет свободен через:
25 мин. 37 сек.







© 2009 - 2025 www.neizvestniy-geniy.ru         Карта сайта

Яндекс.Метрика
Мы в соц. сетях —  ВКонтакте Одноклассники Livejournal
Разработка web-сайта — Веб-студия BondSoft